Haynes

Volvo S70, V70 & C70 Petrol (96 - 99) Haynes Repair Manual

$44.95

Out of stock
  • Free shipping on orders over $49.00
  • The original print manual
  • Dispatched in 1-2 business days

Description

This Haynes Workshop Repair Manual is an essential resource for anyone looking to service or repair their car at home. Regular maintenance not only helps to keep your vehicle running smoothly, but it also enhances safety and helps you avoid breakdowns and disruption.

In a recent survey, Haynes manual owners said they saved $3,993 each year by working on their own car. Our best selling DIY guides make enjoying these savings achievable for anyone, no matter how experienced - get started with step-by-step instructions, 700+ clear illustrations and beginner-friendly advice on maintenance tasks, fault diagnosis and repairs.

What's Included
  • Step-by-step instructions based on a full stripdown and rebuild
  • DIY-friendly tips and techniques written by the Haynes team
  • A time saving Fault Finder detailing 400+ common issues for your car
  • Wiring diagrams for key vehicle systems
  • Over 700 pictures and illustrations to make tricky jobs easier
  • A printed book, dispatched from our US warehouse

More Information

  • Table of Contents

    • General Information
    • Chapter 1: Routine maintenance and servicing
    • Chapter 2: Part A: Engine in-car repair procedures
    • Chapter 2: Part B: Engine removal and overhaul procedures
    • Chapter 3: Cooling, heating and ventilation systems
    • Chapter 4: Part A: Fuel systems
    • Chapter 4: Part B: Exhaust and emission control systems
    • Chapter 5: Part A: Starting and charging systems
    • Chapter 5: Part B: Ignition system
    • Chapter 6: Clutch
    • Chapter 7: Part A: Manual transmission
    • Chapter 7: Part B: Automatic transmission
    • Chapter 8: Driveshafts
    • Chapter 9: Braking system
    • Chapter 10: Suspension and steering systems
    • Chapter 11: Bodywork and fittings
    • Chapter 12: Body electrical systems, Wiring diagrams, Reference
  • Coverage

    S70 Saloon, V70 Estate and C70 Coupe, inc. turbo and T5 versions.

    Petrol: 2.0 litre (1984cc), 2.3 litre (2319cc) and 2.5 litre (2435cc).

  • Exclusions

    • Does NOT cover four-wheel-drive (AWD) system.

Benefits

  • A Print DIY Book
    Make notes in the margins, and keep on your bookshelf for when you need it most
  • Based on a Teardown and Rebuild
    Detailed instructions created by hands-on DIY experts

    Based on a Teardown and Rebuild

    This manual was created by completely tearing apart a vehicle and putting it back together again, leaving no bolt, panel or component unexplored.

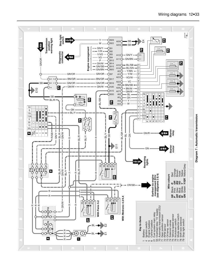
  • Work Safely Using Wiring Diagrams
    Make changes and repairs with confidence

    Work Safely Using Wiring Diagrams

    Making electrical changes can be challenging, so it's crucial you have clear guidance and expertly written advice on hand. Haynes' wiring diagrams give you precise instructions on how to repair and modify key systems, allowing to work with confidence.

  • Easy-to-Use Fault Finder
    Solve hundreds of common issues with the diagnostic guide

    Easy-to-Use Fault Finder

    Is there a leak, or maybe a broken spring? Haynes' guided fault finder will help you get to the bottom of some of the most common issues associated with your vehicle. Run through a list of symptoms and hone in on the right fix.

  • Teaches You Technical Terms
    Empower yourself with an overview of technical terms

    Teaches You Technical Terms

    Feel like you're in the dark when speaking with a mechanic? Learning technical terms and common issues gives you the power to ask questions and make sure you're happy and confident with the work they're doing.

  • 700+ Clear Pictures & Diagrams
    Enhance your understanding of written instructions

    700+ Clear Pictures & Diagrams

    Written guides are easier to follow with accompanying images. This manual contains illustrations, pictures and diagrams sit alongside step-by-step instructions, helping you get a clearer understanding of what's required and tackle the job with confidence.

Need Help Choosing?

Your DIY Solutions Explained

Man and his dog looking at the view. Toyota parked roadside.

Empower Yourself with DIY

Save Money on Maintenance & Repairs

Haynes owners save $3,993 USD on average every year working on their own vehicle. Our manuals teach you the skills to do the work yourself and keep your car out of the mechanic's shop.

Customer Testimonials

Trusted by DIYers Since 1960

Lots of vehicles on a US highway

Over 200 Million Manuals Sold Worldwide

For decades, we’ve been empowering people with our DIY manuals, enabling everyone to tackle maintenance and repairs on everything from rom trucks and sleek sedans to muscle cars and SUVs.

Not the Right Manual?

Search for Your Vehicle

Enter your make/model, license plate or VIN to find manuals that match your vehicle.